当前位置:首页>电动汽车>复合能源系统下太阳能电动车控制策略研究-CC6903

复合能源系统下太阳能电动车控制策略研究-CC6903

  • 2026-03-12 15:47:57
复合能源系统下太阳能电动车控制策略研究-CC6903

摘 要

近年来,经济快速发展,环境污染问题日渐增多,传统燃油汽车逐渐无法满足时代发展的需求。 将光伏发电技术和电动车技术相结合组成太阳能电动车, 能够增加清洁能源利用率并减少对环境的污染。本文提出了一种四端口变换器,组成由光伏电池、 蓄电池、 超级电容为主的复合能源系统,并对该复合能源系统下的太阳能电车控制策略进行优化,使太阳能电动车驱动系统在多种模态、 不同工况下仍然能够保持良好的响应速度,稳定性以及抗干扰性。

首先,对太阳能电动车主要组成部分,如光伏电池、蓄电池、超级电容及电机进行了选型和分析。设计了太阳能电动车能量管理策略及拓扑结构,根据太阳能电动车能量管理策略,利用 BOOST、 BUCK电路搭建了一种四端口变换器,由该四端口变换器构建的复合能源系统可以提高太阳能电动车的能量利用率和续航里程,优化太阳能电动车的整体性能。

其次,利用 MATLAB/Simulink对四端口变换器几种模态进行仿真分析,验证了其拓扑结构及控制系统的有效性。 仿真结果表明,构建的四端口变换器直流母线电压稳定,能源利用率高。可以实现超级电容启动加速、光伏板最大功率跟踪、超级电容和蓄电池共同供电,光伏板给蓄电池和超级电容反向充电,电机制动能量回馈等多种工作模态。

最后, 对该复合能源系统下太阳能电动车驱动电机控制策略进行优化,以滑模控制算法为核心,对传统指数趋近律进行优化,设计了一种新型趋近律,该新型趋近律通过引入系统状态变量,随着系统运动点的变化调整状态变量的值,提升了系统的动态性能。并采用自抗扰扩张状态观测器(Expansion State Observer, ESO)在线估计控制系统的扰动,作为滑模速度控制器的前馈补偿,进一步提高了太阳能电动车驱动系统的抗干扰性和稳定性。 并利用半实物仿真控制器 YXSPACE-SP1000 进行实验,对比不同控制策略下的各项性能指标。 实验结果验证了本文所提出控制算法的可行性及优越性。

第 1 章 绪 论

1.1 课题研究背景及其意义

1.1.1 研究背景

随着经济高速发展,人民生活水平也随之提高。与此同时带来了一系列问题。诸如全球变暖和能源枯竭等。发展新能源汽车能够有效推动节能减排,减少环境污染。 目前市面上新能源汽车主要分为三种类型: 燃料电池车、油电混合汽车和纯电动汽车如图 1-1 所示。 其中纯电动汽车[5]相对来说最符合节能减排的标准。并且也已经在世界各国得到了广泛的推广和适用,但纯电动车需采用蓄电池供电,实际意义上都还是以化石燃料为一次能源[6]。因此纯电动车仅解决了运行过程中的环境污染问题,而没有解决充电源头的环境污染问题,仍然难以称为绿色交通工具。

图 1-1 纯电动车

目前纯电动车仍然存在续航里程短、蓄电池成本昂贵等缺点。重量方面,蓄电池的自重达到了几百公斤,占到了电动车自重的 25%以上。这本身就极大地降低了效率。续航里程越长,蓄电池需要越大,自重越大,效率越低,这是一个无法解决的矛盾。

针对上述情况,将光伏发电技术引入纯电动车,构建以光伏电池、蓄电池、超级电容为主的复合能源系统,通过四端口变换器来实现能量分配,优化电动车的电源配置,能够在不增加蓄电池容量的情况下,延长电动车的续航里程,提高蓄电池的使用寿命,降低整车的重量和整体运行成本,同时能够适应不同电压等级的要求和刹车制动等能量的回收利用,最大程度地解决环境污染问题,提高电动车的性能。

但是太阳能电动车在运行过程中存在某些工况, 需要输出较高的功率密度。 超级电容具有功率密度高的特点,引入超级电容,可以再在启动、 爬坡和加速时,利用超级电容的特点弥补蓄电池的一些不足,提高太阳能电动车的动态性能。

太阳能电动车系统框架如图所示 1-2 所示。

目前太阳能电动车的关键技术研究主要包括最大功率跟踪技术、蓄电池能量管理技术、超级电容状态估计技术、转向控制技术、多端口变换器技术以及电机驱动控制技术等。

电机驱动控制技术的设计及优化是太阳能电车驱动系统关键技术之一。太阳能电车存在多种模态及复杂工况,其驱动电机控制系统关系着整个太阳能电车的性能。因此太阳能电动车控制策略是本文研究的重点。

1.1.2 研究意义

对于一台性能良好的太阳能电动车来说往往需要实现不同工况下的模态切换,太阳能电动车驱动系统控制策略显得至关重要。太阳能电动车常用电机主要为永磁同步电机、开关磁阻电机、直流电机、 异步电机。几种电机性能对比,如表 1-1所示。

从表 1-1 中可以看出永磁同步电机在各个方面的性能都比较优异。但是由于太阳能电动车存在多种模态以及实际运行过程中面临复杂工况等影响,太阳能电动车驱动系统控制难度大大增加。因此如何使复合能源系统下太阳能电动车的驱动系统实现稳定、抗干扰、高精度为本文研究重点。研究复合能源系统下太阳能电动车控制策略,有利于提升太阳能电动车的性能,对其整体驾驶体验及各部件性能的提高和突破都具有重要意义。

第 2 章 复合能源供电太阳能电动车

本章对太阳能电动车能量管理策略进行了分析,给出了复合能源系统组成部分相关原理,包括光伏电池MPPT算法、蓄电池和超级电容SOC估计算法。之后对PMSM的数学模型进行了理想化分析,对矢量控制进行了分析研究,通过矢量控制过程引出了坐标变化理论及空间矢量脉宽调制原理,并给出了同步旋转坐标系下的PMSM数学模型。但在实际控制中,由于复合能源下的太阳能电车存在多种模态,需要考虑不同模态切换对电机的干扰以及电机本身存在的多种不确定因素,为了保证和提高PMSM模型的准确性,需根据其不确定因素进行补偿。

2.1 太阳能电动车能量管理策略

太阳能电动车框架如图 2-1 所示,主要包含两部分:复合能源系统和电机驱动系统。想要提升太阳能电动车的整体性能,主要从两个方面进行优化。 首先,将光伏技术引入太阳能电动车,组成由光伏电池、蓄电池、超级电容为主的复合能源系统。该复合能源系统存在多种模态,想要实现多种模态下的能量转换,需要制定能量管理策略, 根据能量管理策略构建合适的四端口变换器。 其次, 对该复合能源系统下的电机驱动系统控制策略在抗干扰性,稳定性等方面,进行改进优化,保证太阳能电动车在复杂工况及多种模态下能够保持高效稳定的运行。

太阳能电动车能量管理策略如图 2-2 所示。光伏电池有三种状态, 分别是恒压输出,最大功率输出以及停止输出;蓄电池有三种状态分别为放电、充电以及停止充放电;超级电容三种状态同蓄电池;负载有三种状态分别为运行、 制动反馈以及停止运行。太阳能电动车模拟行驶状态有正常行驶及爬坡、 加速等大功率行驶状态。还需合适的四端口DC/DC变换器,以实现四个端口在不同场景下互相协调工作。

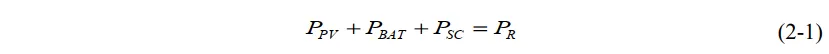
太阳能电动车的能量分配原则如式(2-1)所示, PPV为光伏电池端口功率,当光伏电池输出功率时为正值,停止输出时为零; PBAT为蓄电池端口功率,当蓄电池放电的情况下为正值,充电的情况下负值,停止充放电时为零; PSC为超级电容端口功率,其正负同蓄电池; PR为负载端口功率,当负载端正常运行时为正值,回馈制动输出时为负值,停止运行时为零。

能量管理策略需实现以下几点:

(1) 为保证太阳能电动车稳定运行,直流母线电压需满足负载的运行需求,在切换模态时尽量避免负载端口电压波动。

(2) 最大限度的利用太阳能清洁能源,在阳光充足且光伏电池输出功率足够大情况下由光伏电池单独向负载端供电,在光照强度较弱且光伏电池输出功率不足以单独向负载端供电时由光伏电池及蓄电池共同向负载端供电,当光伏电池输出功率较小时由蓄电池向负载端供电。负载端停止运行且光照条件充裕情况下,光伏电池反向给蓄电池充电。

(3) 为延长蓄电池使用寿命及保证蓄电池使用安全,应使蓄电池的SOCBAT保持在 20%-98%,防止对蓄电池过度充电和过度放电。

(4) 超级电容在充放电过程同蓄电池。

(5) 太阳能电动车在加速爬坡等大功率输出场景下,由超级电容补齐缺失能量,提升太阳能电动车的性能。

(6) 太阳能电动车进行刹车制动时,能够将能量回馈给蓄电池,以此来增加续航里程。

因此设计合适的四端口变换器,能够实现太阳能电动车复合能源不同情景下的运行要求,提升太阳能电动车的性能。

2.2 复合能源系统组成部分相关原理

在太阳能电动车实际运行过程中,需分析各个端口的工作原理及特性,针对不同端口的各种特性,设计四端口变换器的控制系统,以保证太阳能电动车在实际运行过程中,各个端口能够发挥其作用,提升太阳能电动车的综合性能。

2.2.1 光伏电池 MPPT 算法

(1)光伏电池的选择

市面上有多种光伏电池可供选择,其中最常用的几种光伏电池分别为单晶硅电池、多晶硅电池和非晶硅电池。这几种光伏电池的转换效率如表 2-1 所示。

相比较其他电池,非晶硅电池转化效率高,重量较轻,能适应高温。因此选用非晶硅电池进行实验。

(2) 最大功率跟踪原理

在光伏发电系统中,光伏电池是一种非线性元件,他受到温度和周围环境的影响,相同条件下的情况下会存在两种曲线图,如图 2-3 所示

图 2-3 光伏电池曲线图

图 2-3 所示光伏电池曲线图存在一个最大值,这个值所对应的电流和电压,就是最大功率点对应的电流和电压。在现实生活中外界环境总是变化不定的,因此需要在外界环境不稳定情况下,能够让光伏发电系统一直保持最大功率输出,提高清洁能源利用率。

如图 2-4 所示,以分析光伏电池MPPT等效电路工作原理的方式来分析MPPT的基本原理。

当满足Ri = RL时, PL会有最大值。也就是说在等效电路里,当负载阻值跟光伏电池内阻相等时,负载所消耗的功率会比较大,此时电源提供的功率会达到最大值。

光伏电池输出特性为非线性,但是如果只看某一时刻的话,光伏电池的输出可以看为线性输出。通过调节DC-DC转换电路的负载阻值,让电路的负载阻值跟光伏电池的内阻相匹配,光伏电池就会获得最大功率,进而就可以实现对光伏发电系统的最大功率点跟踪控制。

2.2.2 蓄电池 SOC 估计

(1)蓄电池选择

目前市场上蓄电池琳琅满目种类较多,最常见的就是铅酸蓄电池, 另外也有锂电池、胶体蓄电池、镍氢蓄电池这几种,各型号蓄电池参数对比如表 2-2 所示。

铅酸蓄电池制作原料简单,工艺成熟,价格便宜。但是体积比较大,在电动车上占用空间较多,同时废弃铅酸蓄电池对环境污染比较大,对人体也有一定危害。

镍氢蓄电池功率大,使用起来稳定安全,但是容量较小,需反复充电。镍镉蓄电池能量密度高,使用寿命长,不易受温度影响,但是含有记忆效应,且含有有毒物质镉,对环境和人身健康有害,价格昂贵,自放电率高,重量较大。

由于其存在环境污染、制造成本高等缺陷,镍镉蓄电池在现代社会逐渐被其他新型电池所替代。

锂离子电池相较于其他类型的电池具有显著的性能优势,诸如较高的开路电压、较低的自放电率以及无记忆效应等。此外,在对锂离子电池进行充电过程中,无需顾忌残余电量所带来的影响。 虽然价格昂贵但是性价比高。因此,实验电池选用锂离子电池。

(2) 锂离子电池

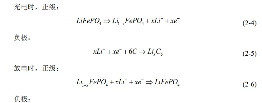
锂离子电池目前主要以锂合金金属氧化物作为正级材料,石墨作为负极材料。通过正级与负极之间锂离子不断移动,来实现电能与化学能的转换。

在锂离子电池的充电过程中,锂离子自正极穿越电解质嵌入负极材料, 负极锂含量的增长直接影响了充电容量的提升;相对的,在放电过程中,储存于负极的锂离子逆向通过电解质迁移到正极。针对以石墨作为负极材料的锂离子电池系统而言,其充放电机制可概述为锂离子在正负极间的相互嵌入与脱嵌行为。

(4)锂离子电池充电阶段

一般情况下,锂电池在使用过程中随着时间的推移,工作电压及化学反应特异性会大幅度降低。为了延长锂电池的使用寿命,标准锂电池的充电通常情况下会历经涓流充电、预充电、恒流充电、恒压充电以及停止充电的等 5 个阶段。如图 2-5所示。

当锂电池电压下降到一个非常低的水平时需先采用涓流充电,此时可能由于长时间使用,锂电池开启了自保护状态内部断开了电池,所以需要进行恢复性充电。之后进行预充电,预充电的目的以较低电流下对电池进行充电,以防止突如其来的电流损坏电池,直到其电压达到一个较高的水平。第三个阶段恒流充电会持续到电池电压达到“满电”或浮动电压水平。当充电器IC监测到外部电池组电压超过了电池组中的实际电池电压,就开始执行恒压充电。直至充满。

2.2.3 超级电容 SOC 估计

超级电容是一种新型的储能装置,其容量极大完全可以充当电池使用,且超级电容寿命长,能量功率密度大,还具备绿色环保等特点,可以在太阳能电动车启动,加速和爬坡阶段为电车提供能量,提升性能,保证太阳能电动车顺利启动。了解级电容数学模型可以更加直观的检测超级电容的电状态,本文以RC模型对超级电容的数学模型进行分析研究,如图 2-6 所示。

2.3 永磁同步电机

2.3.1 永磁同步电机数学模型

三相PMSM根据其转子位置不同,分为内置式和表贴式两种类型。两种类型的PMSM在结构、控制方式和使用场景等方面均有不同,如表 2-3 所示。

相较于内置式PMSM,表贴式PMSM结构更为简单,制作容易并且表贴式PMSM在控制设计上更容易实现,本文使用表贴式结构PMSM作为研究对象。图 2-8为表贴式PMSM转子结构图。

目前,三相PMSM以矢量控制和直接转矩控制为主要控制策略。 PMSM定子和转子之间存在强耦合关系,且PMSM本身就是复杂非线性系统,因此想要获得更好的控制效果,需对其数学模型进行分析研究。为了简化分析,可以将PMSM当做理想条件下的电机,且满足:

(1)铁芯不饱和, 忽略铁芯的饱和影响。

(2) 电机没有涡流损耗。

(3) 电机没有磁滞损耗。

(4)电机电流为三相对称的正弦波。

(5)电机没有温度变化和温度效应。

第 3 章 太阳能电动车四端口变换器

本章通过复合能源系统下太阳能电动车能量管理策略,明确了四端口变换器中各个端口的能量分配原则以及控制目标,之后通过simulink,利用BOOST/BUCK/三相电压型逆变电路搭建了一种全新的四端口变换器模型, 通过对该四端口变换器模型的仿真结果进行分析研究,初步验证了该四端口变换器能够实现电动车在多种模态下的稳定运行。为后文对该复合能源系统中的电机驱动系统进行进一步优化奠定了基础。

3.1 四端口变换器控制

目前大多数电动汽车都采用三端口变换器,来配置整个能源系统。主要还是利用蓄电池和超级电容来为电机供电。为了优化配置电动车的能源系统,将光伏发电引入电动车,能够在不增加蓄电池容量的情况下,延长电动车的续航里程,提高蓄电池的使用寿命,降低整车的重量和整体运行成本,同时为了适应不同电压等级的要求以及刹车制动等能量的回收利用,有必要研究一种双向四端口变换器来提高能量的配置效率,最大程度解决环境污染问题,提高电动车性能。

根据上文可知双向四端口变换器模型控制目标应该以保证太阳能电动车稳定运行为基础,在此基础上最大化的利用太阳能,并能够合理调动各个端口能量减少能量流失以延长太阳能电动车的续航里程及提升太阳能电动车综合性能。具体控制目标如下:

(1)光伏电池MPPT控制:多利用光伏电池输出的能量,并保证光伏电池尽可能工作在最大功率输出点,减少蓄电池的输出。

(2)负载端口控制:负载端的电压保持稳定,工作在额定电压状态。

(3)蓄电池端口控制:能够使蓄电池端口工作在合理的 SOC 范围内,在充放电过程中随着 SOC 不同,切换充放电模式,以延长蓄电池寿命。

(4)超级电容端口控制:超级电容充放电同蓄电池。

(5)回馈制动:充分利用电车行驶过程中刹车减速所产生的制动能量,并回馈给蓄电池或超级电容。

结合具体控制目标,可以得到太阳能电动车控制框图如图 3-1 所示。

控制系统控制器含义分别如下:

(1) IVR(Input voltage regulator)光伏电池的最大功率点跟踪控制。

(2) BVR(Battery voltage regulator)蓄电池端口电压控制。

(3) BCR(Battery current regulator)蓄电池端口电流控制。

(4) SVR(Super capacitor voltage regulator)超级电容端口电压控制。

(5) SCR(Super capacitor current regulator)超级电容端口电流控制。

(6) OVR(Output voltage regulator)负载端口电压控制。

使光伏电池工作在最大功率输出模式下可以最大限度利用太阳能。 在该模式下需对光伏电池最大功率输出图进行拟合,得到光伏电池在不同环境下的功率输出图。进而可以根据环境来提前判断光伏电池的最大功率输出和负载所消耗的功率是否相匹配,通过匹配结果来切换不同模态。

3.2 四端口变换器

3.2.1 四端口变换器电路结构

电动车所需直流电压一般高于光伏电池电压,光伏电池也不需要反向充电,且目前市面上光伏电池转换效率较低,因此光伏电池端采用BOOST电路来完成最大功率点跟踪以及对负载端的稳压输出;蓄电池与超级电容同样采用BOOST电路来完成对负载端的供电,与光伏电池端不同的是,考虑到电机制动能量反馈,蓄电池与超级电容端采用反向BUCK电路来完成对蓄电池和超级电容的反向充电;负载端口采用三相电压型逆变电路同时在桥臂反并联二极管,可以实现电车能量回馈到直流侧,实现整流功能。结合以上功能, 一种可以实现电动车多模态运行的四端口变换器如图 3-2 所示。

这种四端口变换器可以实现电动车的多种模态运行,比如:超级电容单独给电机供电、蓄电池单独给电机供电、光伏板单独给电机供电、光伏板单独给蓄电池充电、光伏板单独给超级电容充电、蓄电池单独给超级电容充电、蓄电池和光伏板共同给电机供电、蓄电池给电机和超级电容供电、光伏板给电机和超级电容供电、光伏板给蓄电池和电机供电、光伏板给超级电容和蓄电池供电、超级电容和蓄电池共同给电机供电、电机制动反馈给蓄电池供电、电机制动反馈给超级电容供电等等 14种工作模态。

下面对图 3-2 所示四端口变换器的蓄电池单独给电机供电(B-M)、光伏板和蓄电池共同给电机供电(PB-M)、蓄电池和超级电容共同给电机供电(BS-M)、光伏板给蓄电池供电(P-B)、电机制动能量回收给蓄电池供电(M-B)五种模态进行分析,不包括光伏板单独给电机供电的模态。

3.2.2 四端口变换器工作模式分析

(1) B-M model

当检测到光伏电池输出功率小于最小输出功率,且电机处于平稳运行工况时,往往采用蓄电池直接给电机供电的能源管理方式,如图 3-3 所示。

直流侧电压通过三相电压型逆变电路给电机供电,实现变压变频调速控制。无刷直流电机采用滑模控制,实现电机的调速,提高电机性能。

(2) PB-M model

当检测到光伏电池输出功率大于最小输出功率但小于负载所需功率, 且蓄电池剩余电量大于 20%时, 可以接入光伏发电系统,利用蓄电池和光伏电池共同给电机供电。为了最大程度地利用光伏发电系统,采用BOOST电路实现最大功率跟踪(MPPT)。该模态将在一定程度上减轻蓄电池的负担,从而有效延缓蓄电池容量的下降速度,延长续航里程。或者在相同功率下,可以实现电池的减配,从而降低蓄电池所占比重,提高整车的效率。光伏发电和蓄电池共同供电的能源管理方式如图3-4 所示。此时超级电容端口处于不工作状态。

光伏板工作于最大功率工作模式下,保证了光伏板的最大输出功率,蓄电池采用恒压控制,将自动改变输出功率,实现了功率的调配。

在这种工作模态下,可以有效的减少蓄电池的功率输出,从而减慢蓄电池容量的减少速度,达到增加里程的目的,提高整车的效率。

(3) BS-M model

由于电机在启动和加速阶段所需功率密度较大,光伏板需要一定的时间进行最大功率跟踪,蓄电池能量密度大,但功率密度低,加入超级电容后可以弥补电机在启动和加速阶段所需的功率密度。还可以降低模态切换时存在的电压及功率波动,这里采用蓄电池和超级电容共同供电启动、超级电容在启动一段时间后自动退出的工作模式。超级电容和蓄电池协同给电机供电的能源管理方式如图 3-5 所示。

(4) P-B model

当电动车停止运行且光伏电池大于最小输出功率时,可以由光伏电池给蓄电池充电。在当前充电桩分布密度较低的环境下,利用光伏板给蓄电池充电,不仅给电动车的充电带来了方便,且可以在长途行驶间歇期给电动车充电,消除了充电源头的污染,做到真正的的零污染低碳出行。利用光伏板给蓄电池充电的能源管理方式如图 3-6 所示。

光伏板工作在最大功率跟踪模态下,可以实现饱和充电;也可以根据蓄电池SOC的情况,在所需要的模态下工作。

四端口变换器还存在光伏板给超级电容供电的模态,工作原理与此相同,不再进行分析和仿真。

(5) M-B model

当电机刹车制动时,将会产生巨大的惯性能量,可以将这部分惯性能量回收利用,延长续航里程。利用三相逆变电路反并联的六个二极管,构成三相整流桥,当电机刹车制动时,电机工作与发电机模态下,三相电通过整流桥将能量反馈给直流侧,对电容C4进行充电。如果刹车能量过多(行车过程中刹车制动是一个经常发生的工况), C4上的能量将越来越多,容易出现泵升电压,泵升电压容易对整个电路的器件带来击穿的危害,因此需要将C4上的能量回馈给蓄电池。图 3-7 所示的反向的BUCK电路就可以实现直流侧能量回馈给蓄电池进行反向充电的功能。

电动车刹车制动给超级电容充电的原理与给蓄电池充电的原理相同。

3.3 四端口变换器仿真验证

3.3.1 仿真参数与模型

光伏电池参数如表 3-1 所示;四端口模型仿真参数如表 3-2 所示。

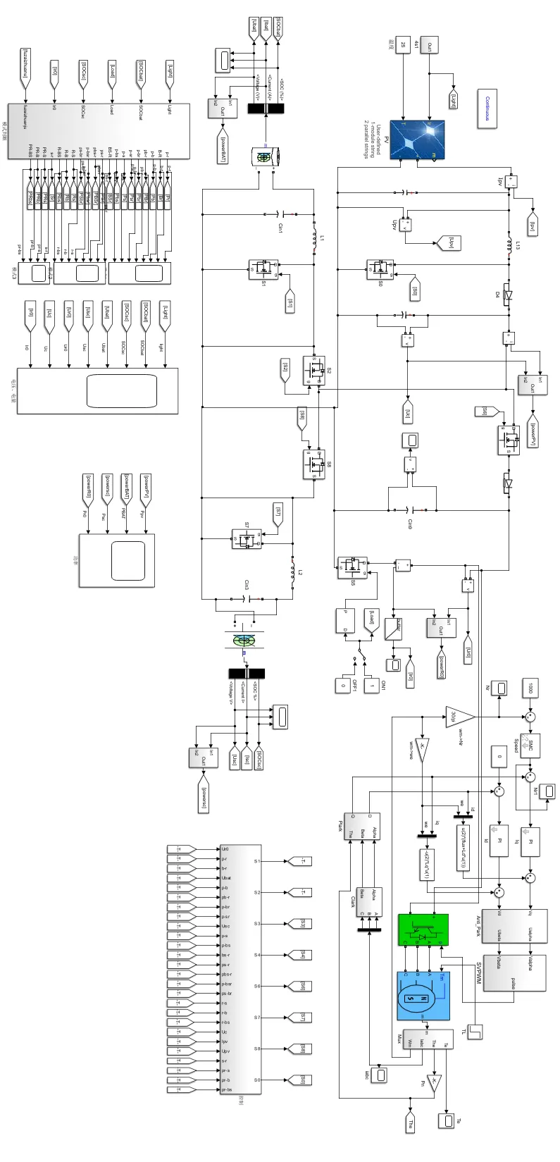
利用simulink搭建的四端口整体模型如图 3-8 所示。

图 3-8 四端口整体模型

第 4 章 永磁同步电机自抗扰滑模控制

PMSM 控制策略对于太阳能电动车整体性能具有重大影响。本章通过分析传统滑模速度控制器,提出了一种新型滑模速度控制器,提高了系统的响应速度,改善了系统抖振。并在新型滑模速度控制器的基础上加入了由自抗扰扩张状态观测器组成的前馈控制,进一步提升了 PMSM 调速系统的抗干扰能力。

4.1 滑模控制算法

4.1.1 滑模控制理论

滑模控制(Sliding mode control, SMC) 由Itkis在 1976 出版的一本英文著作中首次提出。 SMC属于变结构控制,其滑动模态可设计,对系统参数和外部扰动不灵敏,因此具备鲁棒性强,响应快,实现简单等特点。

第 5 章 新型滑模控制算法的实验验证

本章节为了验证第四章所提出新型滑模控制算法的可靠性及稳定性,搭建了永磁同步电机调速系统控制实验平台。实验平台以研旭 YXSPACE-SP1000 作为核心控制器,经过搭建仿真和硬件设计,对基于新型滑模控制算法的电机调速系统进行了仿真分析和实验验证,进一步证明了该控制算法的可靠性及稳定性。

5.1 研旭 SPACE 快速原型控制器

实验选用的是南京研旭公司推出的 YXSPACE 半实物仿真器产品系列,型号为SP1000, SP1000 控制器采用 TI公司的 C2000 系列 DSP-F28335 作为核心控制器。辅助控制器为 FPGA。 YXSPACE控制器具备强大的算法转换功能,它能够无缝地将基于图形化高级语言(Simulink)编写的控制算法,转化为数字输入输出(DIDO)及模拟输入输出(AIAO)信号,进而控制实际硬件设备进行精确控制。它的源码设计公开透明,易于检查和调整。 仅需在 MATLAB 的 Simulink 环境中构建控制算法模型,并将其下载至 YXSPACE 控制器,便可实现对控制过程的实时管理和操控。这样的设计手段,不仅显著提高了研究实验的效率,同时也保障了系统控制策略的实用性与创新性。

SP1000 分为硬件板卡和软件环境两部分。硬件板卡采用一体式结构,简洁轻便,搭载多种功能板卡,可实现具体控制过程中多种需求。 具体硬件板卡资源如表 5-1所示。

软件环境为研旭 YXSPACE-VIEW100 软件。 该软件可以配置 YXSAPCE 控制器各种工作模式,还带有监控功能,可以实时了解控制器内部详细信息。

将 Matlab 中搭建好的控制算法模型通过模型中的接口与硬件驱动接口绑定后,再结合 TI公司的 CCS 编译工具产生可执行文件,下载至 YXSPACE控制器中运行,即可实现半实物仿真。 图 5-2 为具体应用连线示意图:

5.2 硬件配置说明

实验平台整体框架组成如图 5-3 所示,主要包括:

(1) SP1000 控制器:系统控制器, DSP+FPGA 双核架构, Simulink 模型一键下载,加载后可与 VIEW1000 上位机软件实时交互数据,波形监控或者在线调参。

(2)电机驱动板: 永磁同步电机的功率驱动模块,强弱电隔离设计,电压电流信号采用传感器芯片采集, QEP 及 CAP 接口全引出,保护机制健全。

(3)磁粉制动器: 经济型小体积手动张力制动器,百分比电压输出, 0~24V旋钮调节、数字显示、短路保护及过载保护。

(4)电机:永磁同步电机和磁粉制动器,在永磁同步电机运行过程中可通过磁粉制动器进行加载。

(5) Matlab: 通过 simulink 构建模型, 在此系统中,模型搭建完成后,可以一键下载到控制器中,省去复杂的设置过程。

(6) VIEW1000:研旭自主开发的上位机软件,采用以太网通讯,用于实现与SP1000 的实时数据交互,方便客户进行数据分析,波形监控和在线调参等功能。

5.2.1 系统驱动板

电机驱动板参数如表 5-2 所示。

(1)电压采样电路

实验过程中电压信号经过电阻分压后采集,具体电压采样电路如图 5-4 所示,由于母线电压较大,所以原边需要大阻值功率电路将大电压信号成比例减小为较小的电流信号。副边也需要串联阻值合适的电阻。

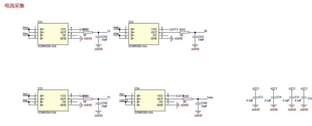
(2)电流采样电路

实验过程中使用电流传感器对其电流进行采样。本次实验所采用的电流传感器型号为CC6903SO-10A,具体电流采样电路如图 5-5 所示。

图 5-5 电流采样电路

CC6903SO是成都芯进电子的一款高性能霍尔电流传感器,可以更为有效的为交流(AC)或者直流(DC)电流检测方案,广泛应用于工业,消费类及通信类设备。

目前产品已经升级到CC6937,CC6937 内部集成了一颗高精度、 低噪声的线性霍尔电路和一根低阻抗的主电流导线。 0.5mΩ的超低阻抗的导线可最大限度减少功率损耗和热散耗。

特性

  • 基准具有内置 VREF输出、 外部 VREF输入两种模式:

  • 内置 VREF输出时, VOE可编程至<5mV

  • 外部 VREF输入时, VOUT静态输出电压和其保持一致

  • 测量范围宽, 5A,10A,20A,25A,30A,40A,50A,60A 多种量程可选

  • 隔离耐压高, 导线引脚到信号引脚有 3750VRMS 的安全隔离电压

  • 高带宽(230kHz), 低噪声, 单端模拟输出

  • 低损耗, 导线电阻 0.5mΩ

  • 阶跃响应时间 1.5us

  • 常温误差±1%, 灵敏度温漂可达±2.5%

  • 温度稳定性好, 采用霍尔信号放大电路和温度补偿电路

  • 差分霍尔结构, 抗外部磁干扰能力强

5.2.2 电机与负载

电机选用永磁同步电机,其参数如表 5-3 所示;负载选用磁粉制动器负载,其参数如表 5-4 所示;电机与磁粉制动器实物如图 5-6 所示。

5.3 系统模型搭建

系统模型搭建前需要分离算法,分离算法需统计参与控制的输入量及输出量,系统输入量和输出量如表 5-5 所示。

由表 5-5可知快速原型控制器需要 4路ADC采集接口, 3路PWM输出接口, 1路可控的转速参考值输入, 1 路编码器计数值, 1 个编码器索引信号和一个电机转向信号,同时需要三个通信接口将参考值传给模型。快速原型控制器具体与主电路的信号连接情况如表 5-6 所示。

搭建的系统模型如图 5-8 所示

5.4 实验验证结果分析

图 5-9 所示,为基于YXSPACE1000 的半实物仿真实验平台。 实验时,参考转速1500r/min,磁粉制动器电流 0.1A,约相当于负载 2N.m。

由于实验平台限制,在此仅对固定负载转矩下的各控制策略转速波形进行实验分析,以此来验证算法的可行性及优越性。实验结果如图 5-10 所示。

从图 5-10 中可以看出PI控制策略下的电机转速波形超调量高,系统响应速度慢。传统SMC控制策略相较于PI控制策略来说,超调量较低,并且响应速度加快,电机能在更短时间内到达参考转速且稳定。 ADRSMC控制策略相较于PI控制策略和SMC控制策略,响应速度得到明显改善,虽然还具有一定的超调量,但是ADRSMC控制策略下,相较于其他两种控制策略电机能够更快的到达参考转速,且运行平稳。且PMSM三相电流波形在ADRSMC控制策略下更为平稳。

从实验结果来看,说明了基于 ADRSMC 控制策略下电机所用的响应时间更短,超调量更小,验证了该控制算法的可行性及优越性。

由于篇幅有限,本文只展示部分内容。

如需原文,请联系13701069452@163.com免费索取,仅供学习参考。

本文是作者整理互联网上内容,在此对原作者表示感谢,如有侵权部分,请联系作者删除。

了解更多电力电子信息,请联系13701069452或关注公众号

最新文章

随机文章

基本 文件 流程 错误 SQL 调试
  1. 请求信息 : 2026-04-11 18:35:51 HTTP/2.0 GET : https://e.mffb.com.cn/a/461911.html
  2. 运行时间 : 0.133569s [ 吞吐率:7.49req/s ] 内存消耗:4,474.48kb 文件加载:140
  3. 缓存信息 : 0 reads,0 writes
  4. 会话信息 : SESSION_ID=f91e0e1684bb97d43c79bce81ca7a4ef
  1. /yingpanguazai/ssd/ssd1/www/e.mffb.com.cn/public/index.php ( 0.79 KB )
  2. /yingpanguazai/ssd/ssd1/www/e.mffb.com.cn/vendor/autoload.php ( 0.17 KB )
  3. /yingpanguazai/ssd/ssd1/www/e.mffb.com.cn/vendor/composer/autoload_real.php ( 2.49 KB )
  4. /yingpanguazai/ssd/ssd1/www/e.mffb.com.cn/vendor/composer/platform_check.php ( 0.90 KB )
  5. /yingpanguazai/ssd/ssd1/www/e.mffb.com.cn/vendor/composer/ClassLoader.php ( 14.03 KB )
  6. /yingpanguazai/ssd/ssd1/www/e.mffb.com.cn/vendor/composer/autoload_static.php ( 4.90 KB )
  7. /yingpanguazai/ssd/ssd1/www/e.mffb.com.cn/vendor/topthink/think-helper/src/helper.php ( 8.34 KB )
  8. /yingpanguazai/ssd/ssd1/www/e.mffb.com.cn/vendor/topthink/think-validate/src/helper.php ( 2.19 KB )
  9. /yingpanguazai/ssd/ssd1/www/e.mffb.com.cn/vendor/topthink/think-orm/src/helper.php ( 1.47 KB )
  10. /yingpanguazai/ssd/ssd1/www/e.mffb.com.cn/vendor/topthink/think-orm/stubs/load_stubs.php ( 0.16 KB )
  11. /yingpanguazai/ssd/ssd1/www/e.mffb.com.cn/vendor/topthink/framework/src/think/Exception.php ( 1.69 KB )
  12. /yingpanguazai/ssd/ssd1/www/e.mffb.com.cn/vendor/topthink/think-container/src/Facade.php ( 2.71 KB )
  13. /yingpanguazai/ssd/ssd1/www/e.mffb.com.cn/vendor/symfony/deprecation-contracts/function.php ( 0.99 KB )
  14. /yingpanguazai/ssd/ssd1/www/e.mffb.com.cn/vendor/symfony/polyfill-mbstring/bootstrap.php ( 8.26 KB )
  15. /yingpanguazai/ssd/ssd1/www/e.mffb.com.cn/vendor/symfony/polyfill-mbstring/bootstrap80.php ( 9.78 KB )
  16. /yingpanguazai/ssd/ssd1/www/e.mffb.com.cn/vendor/symfony/var-dumper/Resources/functions/dump.php ( 1.49 KB )
  17. /yingpanguazai/ssd/ssd1/www/e.mffb.com.cn/vendor/topthink/think-dumper/src/helper.php ( 0.18 KB )
  18. /yingpanguazai/ssd/ssd1/www/e.mffb.com.cn/vendor/symfony/var-dumper/VarDumper.php ( 4.30 KB )
  19. /yingpanguazai/ssd/ssd1/www/e.mffb.com.cn/vendor/topthink/framework/src/think/App.php ( 15.30 KB )
  20. /yingpanguazai/ssd/ssd1/www/e.mffb.com.cn/vendor/topthink/think-container/src/Container.php ( 15.76 KB )
  21. /yingpanguazai/ssd/ssd1/www/e.mffb.com.cn/vendor/psr/container/src/ContainerInterface.php ( 1.02 KB )
  22. /yingpanguazai/ssd/ssd1/www/e.mffb.com.cn/app/provider.php ( 0.19 KB )
  23. /yingpanguazai/ssd/ssd1/www/e.mffb.com.cn/vendor/topthink/framework/src/think/Http.php ( 6.04 KB )
  24. /yingpanguazai/ssd/ssd1/www/e.mffb.com.cn/vendor/topthink/think-helper/src/helper/Str.php ( 7.29 KB )
  25. /yingpanguazai/ssd/ssd1/www/e.mffb.com.cn/vendor/topthink/framework/src/think/Env.php ( 4.68 KB )
  26. /yingpanguazai/ssd/ssd1/www/e.mffb.com.cn/app/common.php ( 0.03 KB )
  27. /yingpanguazai/ssd/ssd1/www/e.mffb.com.cn/vendor/topthink/framework/src/helper.php ( 18.78 KB )
  28. /yingpanguazai/ssd/ssd1/www/e.mffb.com.cn/vendor/topthink/framework/src/think/Config.php ( 5.54 KB )
  29. /yingpanguazai/ssd/ssd1/www/e.mffb.com.cn/config/app.php ( 0.95 KB )
  30. /yingpanguazai/ssd/ssd1/www/e.mffb.com.cn/config/cache.php ( 0.78 KB )
  31. /yingpanguazai/ssd/ssd1/www/e.mffb.com.cn/config/console.php ( 0.23 KB )
  32. /yingpanguazai/ssd/ssd1/www/e.mffb.com.cn/config/cookie.php ( 0.56 KB )
  33. /yingpanguazai/ssd/ssd1/www/e.mffb.com.cn/config/database.php ( 2.48 KB )
  34. /yingpanguazai/ssd/ssd1/www/e.mffb.com.cn/vendor/topthink/framework/src/think/facade/Env.php ( 1.67 KB )
  35. /yingpanguazai/ssd/ssd1/www/e.mffb.com.cn/config/filesystem.php ( 0.61 KB )
  36. /yingpanguazai/ssd/ssd1/www/e.mffb.com.cn/config/lang.php ( 0.91 KB )
  37. /yingpanguazai/ssd/ssd1/www/e.mffb.com.cn/config/log.php ( 1.35 KB )
  38. /yingpanguazai/ssd/ssd1/www/e.mffb.com.cn/config/middleware.php ( 0.19 KB )
  39. /yingpanguazai/ssd/ssd1/www/e.mffb.com.cn/config/route.php ( 1.89 KB )
  40. /yingpanguazai/ssd/ssd1/www/e.mffb.com.cn/config/session.php ( 0.57 KB )
  41. /yingpanguazai/ssd/ssd1/www/e.mffb.com.cn/config/trace.php ( 0.34 KB )
  42. /yingpanguazai/ssd/ssd1/www/e.mffb.com.cn/config/view.php ( 0.82 KB )
  43. /yingpanguazai/ssd/ssd1/www/e.mffb.com.cn/app/event.php ( 0.25 KB )
  44. /yingpanguazai/ssd/ssd1/www/e.mffb.com.cn/vendor/topthink/framework/src/think/Event.php ( 7.67 KB )
  45. /yingpanguazai/ssd/ssd1/www/e.mffb.com.cn/app/service.php ( 0.13 KB )
  46. /yingpanguazai/ssd/ssd1/www/e.mffb.com.cn/app/AppService.php ( 0.26 KB )
  47. /yingpanguazai/ssd/ssd1/www/e.mffb.com.cn/vendor/topthink/framework/src/think/Service.php ( 1.64 KB )
  48. /yingpanguazai/ssd/ssd1/www/e.mffb.com.cn/vendor/topthink/framework/src/think/Lang.php ( 7.35 KB )
  49. /yingpanguazai/ssd/ssd1/www/e.mffb.com.cn/vendor/topthink/framework/src/lang/zh-cn.php ( 13.70 KB )
  50. /yingpanguazai/ssd/ssd1/www/e.mffb.com.cn/vendor/topthink/framework/src/think/initializer/Error.php ( 3.31 KB )
  51. /yingpanguazai/ssd/ssd1/www/e.mffb.com.cn/vendor/topthink/framework/src/think/initializer/RegisterService.php ( 1.33 KB )
  52. /yingpanguazai/ssd/ssd1/www/e.mffb.com.cn/vendor/services.php ( 0.14 KB )
  53. /yingpanguazai/ssd/ssd1/www/e.mffb.com.cn/vendor/topthink/framework/src/think/service/PaginatorService.php ( 1.52 KB )
  54. /yingpanguazai/ssd/ssd1/www/e.mffb.com.cn/vendor/topthink/framework/src/think/service/ValidateService.php ( 0.99 KB )
  55. /yingpanguazai/ssd/ssd1/www/e.mffb.com.cn/vendor/topthink/framework/src/think/service/ModelService.php ( 2.04 KB )
  56. /yingpanguazai/ssd/ssd1/www/e.mffb.com.cn/vendor/topthink/think-trace/src/Service.php ( 0.77 KB )
  57. /yingpanguazai/ssd/ssd1/www/e.mffb.com.cn/vendor/topthink/framework/src/think/Middleware.php ( 6.72 KB )
  58. /yingpanguazai/ssd/ssd1/www/e.mffb.com.cn/vendor/topthink/framework/src/think/initializer/BootService.php ( 0.77 KB )
  59. /yingpanguazai/ssd/ssd1/www/e.mffb.com.cn/vendor/topthink/think-orm/src/Paginator.php ( 11.86 KB )
  60. /yingpanguazai/ssd/ssd1/www/e.mffb.com.cn/vendor/topthink/think-validate/src/Validate.php ( 63.20 KB )
  61. /yingpanguazai/ssd/ssd1/www/e.mffb.com.cn/vendor/topthink/think-orm/src/Model.php ( 23.55 KB )
  62. /yingpanguazai/ssd/ssd1/www/e.mffb.com.cn/vendor/topthink/think-orm/src/model/concern/Attribute.php ( 21.05 KB )
  63. /yingpanguazai/ssd/ssd1/www/e.mffb.com.cn/vendor/topthink/think-orm/src/model/concern/AutoWriteData.php ( 4.21 KB )
  64. /yingpanguazai/ssd/ssd1/www/e.mffb.com.cn/vendor/topthink/think-orm/src/model/concern/Conversion.php ( 6.44 KB )
  65. /yingpanguazai/ssd/ssd1/www/e.mffb.com.cn/vendor/topthink/think-orm/src/model/concern/DbConnect.php ( 5.16 KB )
  66. /yingpanguazai/ssd/ssd1/www/e.mffb.com.cn/vendor/topthink/think-orm/src/model/concern/ModelEvent.php ( 2.33 KB )
  67. /yingpanguazai/ssd/ssd1/www/e.mffb.com.cn/vendor/topthink/think-orm/src/model/concern/RelationShip.php ( 28.29 KB )
  68. /yingpanguazai/ssd/ssd1/www/e.mffb.com.cn/vendor/topthink/think-helper/src/contract/Arrayable.php ( 0.09 KB )
  69. /yingpanguazai/ssd/ssd1/www/e.mffb.com.cn/vendor/topthink/think-helper/src/contract/Jsonable.php ( 0.13 KB )
  70. /yingpanguazai/ssd/ssd1/www/e.mffb.com.cn/vendor/topthink/think-orm/src/model/contract/Modelable.php ( 0.09 KB )
  71. /yingpanguazai/ssd/ssd1/www/e.mffb.com.cn/vendor/topthink/framework/src/think/Db.php ( 2.88 KB )
  72. /yingpanguazai/ssd/ssd1/www/e.mffb.com.cn/vendor/topthink/think-orm/src/DbManager.php ( 8.52 KB )
  73. /yingpanguazai/ssd/ssd1/www/e.mffb.com.cn/vendor/topthink/framework/src/think/Log.php ( 6.28 KB )
  74. /yingpanguazai/ssd/ssd1/www/e.mffb.com.cn/vendor/topthink/framework/src/think/Manager.php ( 3.92 KB )
  75. /yingpanguazai/ssd/ssd1/www/e.mffb.com.cn/vendor/psr/log/src/LoggerTrait.php ( 2.69 KB )
  76. /yingpanguazai/ssd/ssd1/www/e.mffb.com.cn/vendor/psr/log/src/LoggerInterface.php ( 2.71 KB )
  77. /yingpanguazai/ssd/ssd1/www/e.mffb.com.cn/vendor/topthink/framework/src/think/Cache.php ( 4.92 KB )
  78. /yingpanguazai/ssd/ssd1/www/e.mffb.com.cn/vendor/psr/simple-cache/src/CacheInterface.php ( 4.71 KB )
  79. /yingpanguazai/ssd/ssd1/www/e.mffb.com.cn/vendor/topthink/think-helper/src/helper/Arr.php ( 16.63 KB )
  80. /yingpanguazai/ssd/ssd1/www/e.mffb.com.cn/vendor/topthink/framework/src/think/cache/driver/File.php ( 7.84 KB )
  81. /yingpanguazai/ssd/ssd1/www/e.mffb.com.cn/vendor/topthink/framework/src/think/cache/Driver.php ( 9.03 KB )
  82. /yingpanguazai/ssd/ssd1/www/e.mffb.com.cn/vendor/topthink/framework/src/think/contract/CacheHandlerInterface.php ( 1.99 KB )
  83. /yingpanguazai/ssd/ssd1/www/e.mffb.com.cn/app/Request.php ( 0.09 KB )
  84. /yingpanguazai/ssd/ssd1/www/e.mffb.com.cn/vendor/topthink/framework/src/think/Request.php ( 55.78 KB )
  85. /yingpanguazai/ssd/ssd1/www/e.mffb.com.cn/app/middleware.php ( 0.25 KB )
  86. /yingpanguazai/ssd/ssd1/www/e.mffb.com.cn/vendor/topthink/framework/src/think/Pipeline.php ( 2.61 KB )
  87. /yingpanguazai/ssd/ssd1/www/e.mffb.com.cn/vendor/topthink/think-trace/src/TraceDebug.php ( 3.40 KB )
  88. /yingpanguazai/ssd/ssd1/www/e.mffb.com.cn/vendor/topthink/framework/src/think/middleware/SessionInit.php ( 1.94 KB )
  89. /yingpanguazai/ssd/ssd1/www/e.mffb.com.cn/vendor/topthink/framework/src/think/Session.php ( 1.80 KB )
  90. /yingpanguazai/ssd/ssd1/www/e.mffb.com.cn/vendor/topthink/framework/src/think/session/driver/File.php ( 6.27 KB )
  91. /yingpanguazai/ssd/ssd1/www/e.mffb.com.cn/vendor/topthink/framework/src/think/contract/SessionHandlerInterface.php ( 0.87 KB )
  92. /yingpanguazai/ssd/ssd1/www/e.mffb.com.cn/vendor/topthink/framework/src/think/session/Store.php ( 7.12 KB )
  93. /yingpanguazai/ssd/ssd1/www/e.mffb.com.cn/vendor/topthink/framework/src/think/Route.php ( 23.73 KB )
  94. /yingpanguazai/ssd/ssd1/www/e.mffb.com.cn/vendor/topthink/framework/src/think/route/RuleName.php ( 5.75 KB )
  95. /yingpanguazai/ssd/ssd1/www/e.mffb.com.cn/vendor/topthink/framework/src/think/route/Domain.php ( 2.53 KB )
  96. /yingpanguazai/ssd/ssd1/www/e.mffb.com.cn/vendor/topthink/framework/src/think/route/RuleGroup.php ( 22.43 KB )
  97. /yingpanguazai/ssd/ssd1/www/e.mffb.com.cn/vendor/topthink/framework/src/think/route/Rule.php ( 26.95 KB )
  98. /yingpanguazai/ssd/ssd1/www/e.mffb.com.cn/vendor/topthink/framework/src/think/route/RuleItem.php ( 9.78 KB )
  99. /yingpanguazai/ssd/ssd1/www/e.mffb.com.cn/route/app.php ( 1.72 KB )
  100. /yingpanguazai/ssd/ssd1/www/e.mffb.com.cn/vendor/topthink/framework/src/think/facade/Route.php ( 4.70 KB )
  101. /yingpanguazai/ssd/ssd1/www/e.mffb.com.cn/vendor/topthink/framework/src/think/route/dispatch/Controller.php ( 4.74 KB )
  102. /yingpanguazai/ssd/ssd1/www/e.mffb.com.cn/vendor/topthink/framework/src/think/route/Dispatch.php ( 10.44 KB )
  103. /yingpanguazai/ssd/ssd1/www/e.mffb.com.cn/app/controller/Index.php ( 4.81 KB )
  104. /yingpanguazai/ssd/ssd1/www/e.mffb.com.cn/app/BaseController.php ( 2.05 KB )
  105. /yingpanguazai/ssd/ssd1/www/e.mffb.com.cn/vendor/topthink/think-orm/src/facade/Db.php ( 0.93 KB )
  106. /yingpanguazai/ssd/ssd1/www/e.mffb.com.cn/vendor/topthink/think-orm/src/db/connector/Mysql.php ( 5.44 KB )
  107. /yingpanguazai/ssd/ssd1/www/e.mffb.com.cn/vendor/topthink/think-orm/src/db/PDOConnection.php ( 52.47 KB )
  108. /yingpanguazai/ssd/ssd1/www/e.mffb.com.cn/vendor/topthink/think-orm/src/db/Connection.php ( 8.39 KB )
  109. /yingpanguazai/ssd/ssd1/www/e.mffb.com.cn/vendor/topthink/think-orm/src/db/ConnectionInterface.php ( 4.57 KB )
  110. /yingpanguazai/ssd/ssd1/www/e.mffb.com.cn/vendor/topthink/think-orm/src/db/builder/Mysql.php ( 16.58 KB )
  111. /yingpanguazai/ssd/ssd1/www/e.mffb.com.cn/vendor/topthink/think-orm/src/db/Builder.php ( 24.06 KB )
  112. /yingpanguazai/ssd/ssd1/www/e.mffb.com.cn/vendor/topthink/think-orm/src/db/BaseBuilder.php ( 27.50 KB )
  113. /yingpanguazai/ssd/ssd1/www/e.mffb.com.cn/vendor/topthink/think-orm/src/db/Query.php ( 15.71 KB )
  114. /yingpanguazai/ssd/ssd1/www/e.mffb.com.cn/vendor/topthink/think-orm/src/db/BaseQuery.php ( 45.13 KB )
  115. /yingpanguazai/ssd/ssd1/www/e.mffb.com.cn/vendor/topthink/think-orm/src/db/concern/TimeFieldQuery.php ( 7.43 KB )
  116. /yingpanguazai/ssd/ssd1/www/e.mffb.com.cn/vendor/topthink/think-orm/src/db/concern/AggregateQuery.php ( 3.26 KB )
  117. /yingpanguazai/ssd/ssd1/www/e.mffb.com.cn/vendor/topthink/think-orm/src/db/concern/ModelRelationQuery.php ( 20.07 KB )
  118. /yingpanguazai/ssd/ssd1/www/e.mffb.com.cn/vendor/topthink/think-orm/src/db/concern/ParamsBind.php ( 3.66 KB )
  119. /yingpanguazai/ssd/ssd1/www/e.mffb.com.cn/vendor/topthink/think-orm/src/db/concern/ResultOperation.php ( 7.01 KB )
  120. /yingpanguazai/ssd/ssd1/www/e.mffb.com.cn/vendor/topthink/think-orm/src/db/concern/WhereQuery.php ( 19.37 KB )
  121. /yingpanguazai/ssd/ssd1/www/e.mffb.com.cn/vendor/topthink/think-orm/src/db/concern/JoinAndViewQuery.php ( 7.11 KB )
  122. /yingpanguazai/ssd/ssd1/www/e.mffb.com.cn/vendor/topthink/think-orm/src/db/concern/TableFieldInfo.php ( 2.63 KB )
  123. /yingpanguazai/ssd/ssd1/www/e.mffb.com.cn/vendor/topthink/think-orm/src/db/concern/Transaction.php ( 2.77 KB )
  124. /yingpanguazai/ssd/ssd1/www/e.mffb.com.cn/vendor/topthink/framework/src/think/log/driver/File.php ( 5.96 KB )
  125. /yingpanguazai/ssd/ssd1/www/e.mffb.com.cn/vendor/topthink/framework/src/think/contract/LogHandlerInterface.php ( 0.86 KB )
  126. /yingpanguazai/ssd/ssd1/www/e.mffb.com.cn/vendor/topthink/framework/src/think/log/Channel.php ( 3.89 KB )
  127. /yingpanguazai/ssd/ssd1/www/e.mffb.com.cn/vendor/topthink/framework/src/think/event/LogRecord.php ( 1.02 KB )
  128. /yingpanguazai/ssd/ssd1/www/e.mffb.com.cn/vendor/topthink/think-helper/src/Collection.php ( 16.47 KB )
  129. /yingpanguazai/ssd/ssd1/www/e.mffb.com.cn/vendor/topthink/framework/src/think/facade/View.php ( 1.70 KB )
  130. /yingpanguazai/ssd/ssd1/www/e.mffb.com.cn/vendor/topthink/framework/src/think/View.php ( 4.39 KB )
  131. /yingpanguazai/ssd/ssd1/www/e.mffb.com.cn/vendor/topthink/framework/src/think/Response.php ( 8.81 KB )
  132. /yingpanguazai/ssd/ssd1/www/e.mffb.com.cn/vendor/topthink/framework/src/think/response/View.php ( 3.29 KB )
  133. /yingpanguazai/ssd/ssd1/www/e.mffb.com.cn/vendor/topthink/framework/src/think/Cookie.php ( 6.06 KB )
  134. /yingpanguazai/ssd/ssd1/www/e.mffb.com.cn/vendor/topthink/think-view/src/Think.php ( 8.38 KB )
  135. /yingpanguazai/ssd/ssd1/www/e.mffb.com.cn/vendor/topthink/framework/src/think/contract/TemplateHandlerInterface.php ( 1.60 KB )
  136. /yingpanguazai/ssd/ssd1/www/e.mffb.com.cn/vendor/topthink/think-template/src/Template.php ( 46.61 KB )
  137. /yingpanguazai/ssd/ssd1/www/e.mffb.com.cn/vendor/topthink/think-template/src/template/driver/File.php ( 2.41 KB )
  138. /yingpanguazai/ssd/ssd1/www/e.mffb.com.cn/vendor/topthink/think-template/src/template/contract/DriverInterface.php ( 0.86 KB )
  139. /yingpanguazai/ssd/ssd1/www/e.mffb.com.cn/runtime/temp/600e51726691ba7063b44bb89d9aaaff.php ( 11.98 KB )
  140. /yingpanguazai/ssd/ssd1/www/e.mffb.com.cn/vendor/topthink/think-trace/src/Html.php ( 4.42 KB )
  1. CONNECT:[ UseTime:0.000533s ] mysql:host=127.0.0.1;port=3306;dbname=e_mffb;charset=utf8mb4
  2. SHOW FULL COLUMNS FROM `fenlei` [ RunTime:0.001236s ]
  3. SELECT * FROM `fenlei` WHERE `fid` = 0 [ RunTime:0.003036s ]
  4. SELECT * FROM `fenlei` WHERE `fid` = 63 [ RunTime:0.000812s ]
  5. SHOW FULL COLUMNS FROM `set` [ RunTime:0.002030s ]
  6. SELECT * FROM `set` [ RunTime:0.001170s ]
  7. SHOW FULL COLUMNS FROM `article` [ RunTime:0.001881s ]
  8. SELECT * FROM `article` WHERE `id` = 461911 LIMIT 1 [ RunTime:0.006263s ]
  9. UPDATE `article` SET `lasttime` = 1775903751 WHERE `id` = 461911 [ RunTime:0.010710s ]
  10. SELECT * FROM `fenlei` WHERE `id` = 66 LIMIT 1 [ RunTime:0.000794s ]
  11. SELECT * FROM `article` WHERE `id` < 461911 ORDER BY `id` DESC LIMIT 1 [ RunTime:0.001230s ]
  12. SELECT * FROM `article` WHERE `id` > 461911 ORDER BY `id` ASC LIMIT 1 [ RunTime:0.001278s ]
  13. SELECT * FROM `article` WHERE `id` < 461911 ORDER BY `id` DESC LIMIT 10 [ RunTime:0.002169s ]
  14. SELECT * FROM `article` WHERE `id` < 461911 ORDER BY `id` DESC LIMIT 10,10 [ RunTime:0.002509s ]
  15. SELECT * FROM `article` WHERE `id` < 461911 ORDER BY `id` DESC LIMIT 20,10 [ RunTime:0.002291s ]
0.137273s