常见故障:
1. 电机故障:电机绕组短路、断路,轴承磨损,磁钢退磁等问题,会使电机输出功率下降、噪音增大,甚至无法转动,车辆出现加速无力、行驶抖动等现象。
2. 控制器故障:电机控制器负责调节电机转速和扭矩,若其内部功率模块损坏、散热不良或控制算法出错,会导致电机控制异常,车辆可能无法正常启动,或行驶中突然失去动力。
3. 差速器故障:差速器齿轮磨损、润滑油缺失,会产生异响,影响车辆转弯性能,严重时导致差速器卡死,造成车辆无法行驶。
驱动电机:一个紧凑、重量轻、高功率输出、高效率的永磁同步电机(PMSM),永磁铁被镶入转子中,旋转磁场和定子线圈共同作用产生扭矩;电机旋变被同轴安装在电机上,用来检测转子旋转的角度。此旋转角度被发送到电机控制模块;电机温度传感器检测电机定子内部的温度,此温度信息被发送给电机控制模块。
电机控制器:一个将电池的直流电转换为交流电,并驱动电机的设备。由于在交流转换成直流的过程中,交流频率和电压可以改变,控制参数可以有很高的自由度。
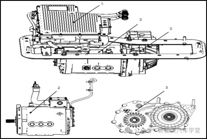
主要核心部件:

1、电机控制器:将动力电池的直流电转化为交流电,并执行VCU的扭矩指令,完成扭矩输出,详见电机控制器描述。
2、电机:扭矩输出的执行机构,详见电机描述。
3、减速器:对电机减速与增加扭矩。
某款新能源汽车驱动电机参数:
最大扭矩 | 215 Nm |
最大输出功率 | 50kW |
最高速度 | 7200 rpm |
冷却形式 | 液冷 |

电机控制器系统原理:

控制器内部拆装步骤:
①拆卸控制器上盖紧固螺栓

②拆掉控制板上的线束和紧固螺钉

上层电机控制器控制器和大电容。
③拆卸隔离板

④拆除所有线束

⑤拆除保险丝

⑥拆卸正负极电缆

⑦拆卸正负极铜排和三相铜排固定螺钉

⑧拆除三线插件座和正负极接线座

⑨拆除薄膜电容和Y电容

⑩拆除IGBT和14/23针转接板

电机基本结构:

1.前端盖 2.壳体 3.三相线 4.接线盒 5.后端盖
6.旋变端盖 7.旋变 8.转子 9.轴承 10.轴 11.定子
电机分解示意图:

①拆卸电机接线盒盖

②拆卸电机三相线

③拆卸电机接线盒

④拆卸电机接线接线座

⑤拆卸电机旋变保护盖

⑥拆卸电机旋变

⑦拆卸电机后端盖

⑧拆卸电机后轴承盖

⑨拆卸电机转子前后端轴用弹性卡环

电机工作原理:当三相交流电被通入到定子线圈中,即产生了旋转的磁场,这个旋转的磁场牵引转子内部的永磁体,产生和旋转磁场同步的旋转扭矩。使用旋转变压器检测转子的位置和电流传感器检测线圈的电流,从而控制驱动电机的扭矩输出。


当三相交流电被接入到定子线圈中,即产生了旋转的磁场,这个旋转的磁场牵引转子内部的永磁体,产生和旋转磁场同步的旋转扭矩。使用旋转变压器检测转子的位置和电流传感器检测线圈的电流,从而控制驱动电机的扭矩输出。



旋变信号异常的测量方法:









故障现象:车辆无法行驶,诊断电脑报电机控制器故障,电池包数据流无异常,整车其他部件未报故障,检查电机控制总成模块。
电机控制器内部结构:

电机控制器工作原理:

此控制内部集成DC/DC模块,属于二合一总成,DC/DC主要作用给12V电瓶充个电及给整车用电设备供电。
1、电机控制器内部使用6个晶体管接收VCU发出的指令来产生3项交流电输出到电机。
2、接收驱动电机内部温度信号(转子温度、定子温度),旋变信号。
3、故障检测、高压互锁、主动放电、被动放电、上电予充。
电机控制器核心功率模块IGBT,更换损坏IGBT模块。

IGBT故障可以通过万用表二极管档位管压降判断好坏,对比管压降数据。
检测案例:

万用表测量方法:

功率器件故障处理:
IGBT模块作为核心功率元件,其损坏是控制器常见故障类型。经专业检测确认IGBT损坏后,更换优质同规格元件通常可使车辆恢复正常运行。
2. 控制板诊断方法:
(1) 电子诊断:通过OBD接口连接车辆专用诊断仪,重点读取电机控制器数据流中的关键参数(如母线电压、相电流、IGBT温度等),结合故障代码进行综合分析。
(2) 硬件检测:使用万用表、示波器等工具对控制板供电电路、PWM信号输出、传感器反馈回路等进行系统化检测,重点排查电容鼓包、PCB烧蚀等物理损坏。
3. 故障概率分析:
相较而言,电机控制器的整体故障率低于动力系统其他部件。实际维修数据显示:
• 高频故障点:驱动电机轴承磨损(占比约32%)、差速器齿轮损伤(28%)、低压线束接触不良(25%)
• 次发故障点:控制器IGBT失效(12%)
• 低发故障点:控制板元器件故障(3%)
建议维修流程优先排查机械传动系统和线束连接,再深入检测电控系统。对于反复出现的控制器故障,应重点检查散热系统性能和电源质量。
---达谛咨询汽车业务---
汽车零部件开发兼职顾问(对公)
FMEA培训、辅导、审核、润笔、软件
问题解决/8D方法培训、辅导、支持
汽车行业工程师培训(招聘、培训,推荐)
汽车行业工作中问题解决支持(对私)
汽车行业专业书籍/知识代寻
----欢迎联系咨询---
汽车设计公司招人:
浙江吉利项目:
急需发动机、变速器系统工程师,电话面试,通过后马上上岗!薪资开放!
一、造型项目长期招聘:
1、重庆:油泥模型 5年+、数模CAS 5+、内外饰创意 3+ /
2、广州:数模CAS 5+、UI 3+
3、杭州湾:数模CAS 3年+、色彩 3+、渲染 3+ /
4、杭州:油泥 3年+
5、苏州:内饰、外饰造型 3年+、渲染 1年+、数模CAS 3+ /6、上海:内饰造型 3年+、外饰造型 5+、渲染VR 3+、色彩 3+、数模CAS 3+、油泥模型 8+
二、工程设计/CAE仿真分析/工艺SE 长期招聘
1、浙江:车身、外饰、内饰、开闭件、底盘(悬架&制动&转向)、外饰附件、座椅、总布置、动力集成、尺寸、电子电器测试、线束、CAE(结构耐久、建模、NVH、CFD、安全碰撞、行人保护、NVH试验、多学科集成)、总装SE、进气、驱动轴、悬置 ,1年+
2、安徽:车身、内外饰、开闭件、线束、整椅、涂装SE,3年+
3、广州:外饰DRE、飞行结构、外饰CAD、开闭件、内饰、车身、总布置 ,3年+
4、上海:线束、结构设计、车身、外饰 ,3年+
5、重庆:总装SE 3年+
【寻求合伙人】:汽车行业工程师培训(招人、培人、推人)
感兴趣者扫码联系:

更多信息链接:
