
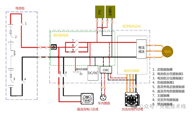
BYD直流充电工作原理图
比亚迪直流充电的核心流程就是:交流电输入 → 整流滤波 → 高压直流转换 → 精准控制与车辆通信 → 电池充电。整个过程由主控芯片(如TMS320F28075PTPQ)统一调度,通过继电器、开关电源等元器件协同工作,确保高效安全充电。
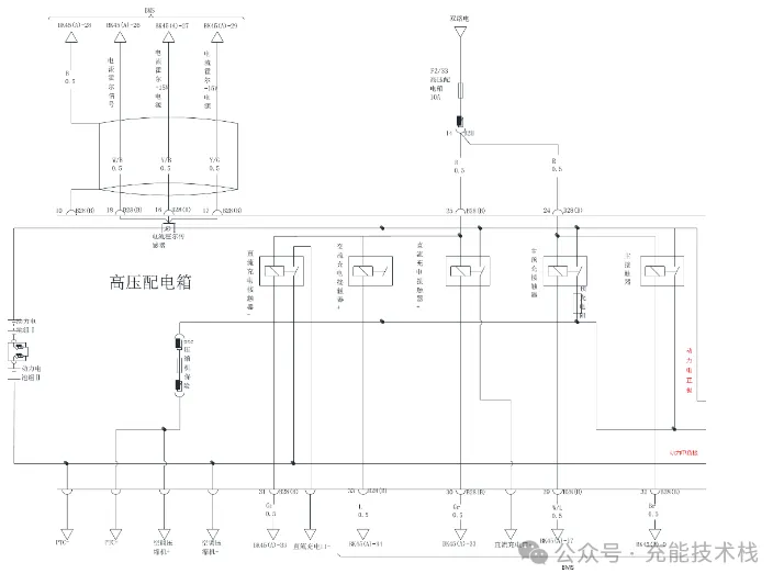
在充电过程中,BMC和充电桩充电网CAN总进行握手交互,BMC通过硬线CC2检测充电枪是否插入,通过硬线控制高压配电箱的直流充电接触器,开启或者中断充电过程。BYD高压配电箱位置示意图
BYD高压配电箱架构图
BYD直流充电插座电路图
比亚迪充电桩采用国标GB/T 20234.2-2015的7孔交流插座,兼容特斯拉Model 3/Y等国标车型。插头关键结构包括:
- 外壳与标识:PC材质黑色磨砂外壳,印有BYD logo和参数(如型号EVA017H-G3G701A,支持220VAC~8A)。
- 内部组件:含整流桥、高压滤波电容(22μF 350V)、主控芯片(如英飞凌ICE3RBR4765JG)等。
- 防护设计:插头与线缆连接处抗弯折,充电端部有连体帽盖防尘防潮。

来源:充能技术栈、素材
版权声明:此资源由用户收集整理于网络,只用于交流学习,请勿用作它途。除非确实无法确认,我们都会注明作者和来源,无法确认情况我们标注来自网络。若涉及版权问题,烦请原作者联系我们,与您共同协商解决。微信:shbinzer。